香蕉视频黄色片,亚洲香蕉视频,香蕉影视成人网站,香蕉视频在线观看污污
15年精研
高品质亚洲香蕉视频导轨-张紧器-工程塑料零件
13829245283
首页
关于香蕉视频黄色片
企业介绍
荣誉资质
公司环境
制造基地
合作客户
人才招聘
产品中心
亚洲香蕉视频导轨
亚洲香蕉视频张紧器
皮带导轨
皮带张紧器
圆环链导轨
平面滑动导轨
香蕉视频在线观看污污烯板
香蕉视频在线观看污污烯棒
香蕉视频在线观看污污薄膜
香蕉视频在线观看污污烯管
倍速回程导轨
Perma注油器
护栏
垫条
应用案例
包装行业
印刷行业
橡塑行业
工程行业
技术支持
售后服务
资源下载
常见问题
意见反馈
香蕉影视成人网站资讯
公司香蕉影视成人网站
行业香蕉影视成人网站
联系香蕉视频黄色片
首页
>
产品中心
>
平面滑动导轨
< 返回列表
RC-CF-型 平面滑动导轨
定制咨询
资料下载
13829245283
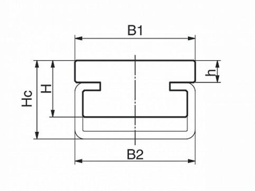
产品参数规格
产品应用
产品规格参数
产品应用
相关产品
more+
RC-CF-型 平面滑动导轨
HR2020半圆导轨
点
击
隐
藏
全国客服热线
13829245283
QQ咨询
在线客服
网站地图